Manufacturing and equipment
Welmbio, in collaboration with leading European engineering and technology companies, design biotechnological facilities and equip them with machinery from Krones - the brand synonymous with holistic systems engineering
Universal production lines


Example
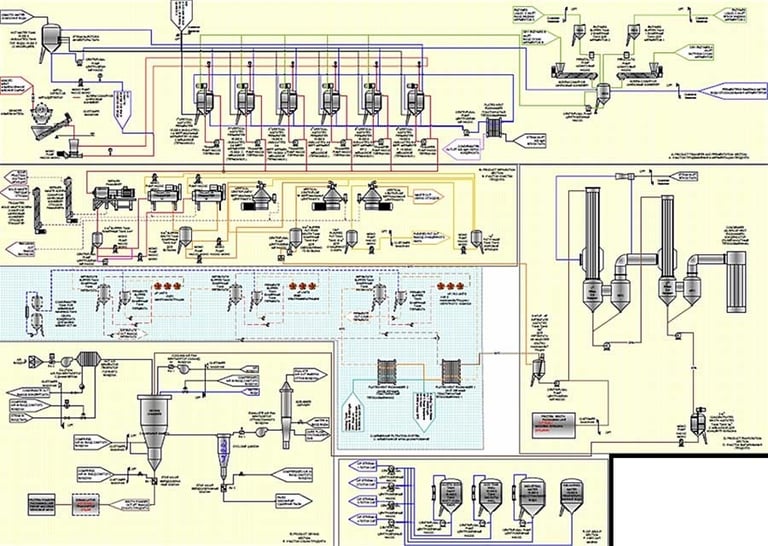
Chicken protein hydrolysates manufacturing facility (7 tonnes/day)
All elements in one place
Raw materials prep & grinding
Enzymes prep
Enzymatic hydrolysis
Product purification
Filtration
Concentration by evaporation
Drying
Pre-packaging and packaging


Get in touch


